技术文章
TECHNICAL ARTICLES
更新时间:2025-10-17
点击次数:621
电捕焦氧气在线分析仪是专门针对电捕焦工艺中氧气含量实时监测而设计的精密分析仪器。在电捕焦过程中,准确掌握氧气含量对于保障设备安全运行、提高生产效率以及确保产品质量具有至关重要的意义。该分析仪能够快速、精确地检测出电捕焦系统内氧气的浓度,为操作人员提供及时、可靠的数据支持,以便做出科学合理的决策。
1. 传感器技术:采用先进的电化学传感器或氧化锆传感器。以电化学传感器为例,其基于氧气在电极上发生氧化还原反应产生电流的原理工作。当含有氧气的样气通过渗透膜进入传感器内部,在工作电极上发生氧化反应,在对电极上发生还原反应,从而产生与氧气浓度成正比的电流信号。
2. 信号处理与转换:传感器产生的微弱电流信号经过放大、滤波等一系列处理后,转换为数字信号。分析仪内部的微处理器对数字信号进行分析和计算,最终得出氧气的精确浓度值,并以直观的方式显示在仪器的显示屏上。
1. 高精度测量:具备很高的测量精度,能够准确检测到低至 ppm 级别的氧气含量变化,为电捕焦工艺提供精准的数据支撑,确保生产过程的稳定性和安全性。
2. 快速响应:分析仪拥有快速的响应速度,能够在短时间内对样气中的氧气浓度变化做出反应,及时反馈给操作人员,使其能够迅速采取相应措施,避免因氧气浓度异常而引发的安全事故。
3. 稳定性强:采用高品质的零部件和先进的制造工艺,使得分析仪在长时间连续运行过程中能够保持稳定的性能,减少因仪器故障而导致的生产中断,降低维护成本。
4. 适应性广:可适应多种复杂的工业环境,无论是高温、高湿度还是存在一定腐蚀性气体的场所,都能正常工作,满足不同电捕焦企业的实际需求。
5. 操作简便:仪器的操作界面简洁明了,操作人员无需复杂的培训即可轻松掌握其使用方法,方便日常的监测和数据读取
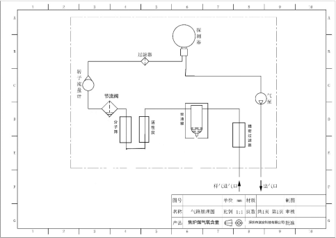
四、预处理装置介绍
前级预处理单元和后级预处理单元:前处理单元对取出的样品进行初步处理,使样品适合于传输,缩短样品的传输滞后,减轻与处理单元的负担,如减压、降温、除尘等。后级预处理单元对样品做进一步处理和调节,如温度、压力、流量的调节,过滤、除湿、去除有害物等,安全泄压和限流等。
气体预处理系统的适用范围:
1、适合高效、快速除水,高焦油的场合,可长期在线使用
2、适合运行在高温场合:温度50-200℃,200-500℃,500℃以上,选配不同的配置
3、适合运行在低温场合,例如:冷库等
4、适合运行在高温、高粉尘、高油气,含有干扰气体等场合,例如:冶炼高干扰气体成分,
产品原理图

五、技术参数
1. 测量范围:0 - 25% O₂(可根据用户需求定制更宽或更窄的测量范围)
2. 精度:±0.1%FS(满量程)
3. 响应时间:T90 ≤ 15s
4. 重复性:≤±0.5%
5. 工作温度:-20℃ - 50℃
6. 工作湿度:10% - 90%RH(无冷凝)
7. 样气流量:300 - 500ml/min
8. 输出信号:4 - 20mA 标准电流信号、RS485 数字信号等(可根据用户需求选择)
六、案例展示


Copyright © 2026 深圳市淇安科技有限公司版权所有 备案号:粤ICP备2023069066号
技术支持:环保在线 管理登录 sitemap.xml